-
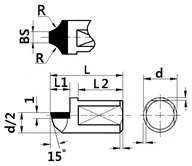
PCD-TIPPED Type
-
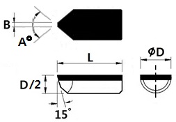
FULL-TOP TYPE
| PCD-TIPPED INSERT |
SPEC |
DIMENSIONS(mm) |
| CODE |
L |
L1 |
L2 |
BS |
D |
 |
 |
10-ds |
specify |
specify |
specify |
1.0 |
specify |
| 12-ds |
specify |
specify |
specify |
1.2 |
specify |
| 14-d6 |
10.0 |
specify |
specify |
1.4 |
6.0 |
| 16-d6 |
12.5 |
3.2 |
7.4 |
1.7 |
6.0 |
| 18-d8 |
14.0 |
4.2 |
7.6 |
1.8 |
8.0 |
| 20-d8 |
16.0 |
4.2 |
9.0 |
1.9 |
8.0 |
| 22-d8 |
19.0 |
4.2 |
10.7 |
2.0 |
8.0 |
| 25-d10 |
20.0 |
5.1 |
10.2 |
2.3 |
10.0 |
| |
|
|
|
|
|
| |
|
|
|
|
|
|
* 他の寸法は別途承ります。 |
| FULL-TOP INSERT |
SPEC |
DIMENSIONS(mm) |
| CODE |
D |
B |
L |
A° |
|
 |
 |
D25B5 |
2.5 |
0.5 |
5.2 |
80 |
|
| D30B6 |
3.0 |
0.6 |
5.5 |
80 |
|
| D32B6 |
3.0 |
0.6 |
6.2 |
80 |
|
| D40B6 |
4.0 |
0.6 |
7.53 |
80 |
|
| D40B7 |
4.0 |
0.7 |
7.83 |
80 |
|
| D40B8 |
4.0 |
0.8 |
9.55 |
80 |
|
| D45B9 |
4.5 |
0.9 |
10.7 |
80 |
|
| |
|
|
|
|
|
| |
|
|
|
|
|
| |
|
|
|
|
|
|
* 他の寸法は別途承ります。 |
|